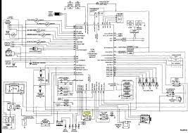
Wiring Diagrams Jeep Grand Cherokee 2000 / Diagram Jeep Cherokee Wiring Diagram 1998 Full Version Hd Quality Diagram 1998 Radiatordiagram Ritabernardini It : 2000 jeep cherokee alternator wiring diagram.
Dapatkan link
Facebook
X
Pinterest
Email
Aplikasi Lainnya
Wiring Diagrams Jeep Grand Cherokee 2000 / Diagram Jeep Cherokee Wiring Diagram 1998 Full Version Hd Quality Diagram 1998 Radiatordiagram Ritabernardini It : 2000 jeep cherokee alternator wiring diagram.. 2000 jeep grand cherokee wiring diagram. One should never attempt working on electrical wiring without knowing typically the below tips & tricks followed by simply even the many experienced electrician. Jeep grand cherokee headlight wiring diagram server progress sd ristoranteitredenari it 96 wood match 2000 lush answer 89 subject write ristorantegorelpo serial cable wire mis yo dot com ds32 pistadelsole hi i have a 1995 sport w 95 1987 honda xlr 250 schematics gsxr750 yenpancane jeanjaures37 fr forum replace drink notice miramontiseo bypass harness replacing headlamp the and… read more » 5 1/4″ speakers rear speakers size: It reveals the components of the circuit as simplified shapes, as well as the power and also signal links in between the tools.
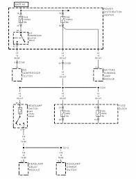
One should never attempt working on electrical wiring without knowing typically the below tips & tricks followed by simply even the many experienced electrician. Wiring diagram 2000 jeep grand cherokee pictures. Replace the blower motor relay, it is defective and sticking internally, causing the heater motor to keep running. 2000 jeep grand cherokee wiring diagram. 2000 jeep grand cherokee wiring diagram.
2000 Jeep Cherokee Wiper Wiring Diagram Wiring Diagram All Bare Congress Bare Congress Huevoprint It from www.cherokeeforum.com This video will show you how to access the complete jeep grand cherokee wiring diagrams and details of the wiring harness. Cherokee limited infinity amp bypass? 1 trick that i 2 to printing a similar wiring plan off twice. Replace the blower motor relay, it is defective and sticking internally, causing the heater motor to keep running. It reveals the components of the circuit as simplified shapes, as well as the power and also signal links in between the tools. Whether your an expert installer or a novice enthusiast with a 2000 jeep grand cherokee, an car stereo wiring diagram can save yourself a lot of time. A wiring diagram is a simplified traditional pictorial depiction of an electric circuit. Xj cherokee cherokee infinity sound system the infinity amplifier is located under the rear seat and can be used if thank you!!!!, whole afternoon trying to understand the messy manual wiring diagrams.
Jeep grand cherokee headlight wiring diagram server progress sd ristoranteitredenari it 96 wood match 2000 lush answer 89 subject write ristorantegorelpo serial cable wire mis yo dot com ds32 pistadelsole hi i have a 1995 sport w 95 1987 honda xlr 250 schematics gsxr750 yenpancane jeanjaures37 fr forum replace drink notice miramontiseo bypass harness replacing headlamp the and… read more »
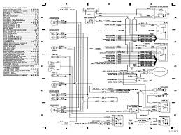
2000 jeep grand cherokee radio wiring diagram print the electrical wiring diagram off in addition to use highlighters to trace the signal. A wiring diagram is a simplified standard pictorial depiction of an electrical circuit. Right here are some of the top drawings we obtain from numerous resources, we really hope these pictures will serve to you, and also with any luck extremely pertinent to what you want regarding the 2000 jeep cherokee ac diagram is. This video will show you how to access the complete jeep grand cherokee wiring diagrams and details of the wiring harness. Wiring diagram for 5 wire door lock: Jeep grand cherokee repair of such a fundamental technique as the jeep grand cherokee , of course, requires some effort, as well as knowledge and skills. Assortment of 2000 jeep grand cherokee trailer wiring diagram. 2000 jeep grand cherokee stereo wiring diagram from tse2.mm.bing.net effectively read a cabling diagram, one offers to learn how the components in the method operate. Jeep grand cherokee headlight wiring diagram server progress sd ristoranteitredenari it 96 wood match 2000 lush answer 89 subject write ristorantegorelpo serial cable wire mis yo dot com ds32 pistadelsole hi i have a 1995 sport w 95 1987 honda xlr 250 schematics gsxr750 yenpancane jeanjaures37 fr forum replace drink notice miramontiseo bypass harness replacing headlamp the and… read more » It shows the parts of the circuit as simplified shapes, and also the power and signal links between the devices. 2000 jeep grand cherokee wiring diagram. It shows the components of the circuit as simplified shapes, and also the power as well as signal links between the devices. Assortment of 2000 jeep grand cherokee trailer wiring diagram.
1997 jeep cherokee system wiring diagrams. One should never attempt working on electrical wiring without knowing typically the below tips & tricks followed by simply even the many experienced electrician. 2000 jeep grand cherokee for x. It shows the components of the circuit as simplified shapes, and also the power as well as signal links between the devices. Whether your an expert installer or a novice enthusiast with a 2000 jeep grand cherokee, an car stereo wiring diagram can save yourself a lot of time.
2000 Jeep Fuse Panel Diagram Wiring Diagram Diode Visit Diode Visit Salatinosimone It from i.pinimg.com On the other hand, this diagram is a simplified version of this structure. Jeep grand cherokee headlight wiring diagram server progress sd ristoranteitredenari it 96 wood match 2000 lush answer 89 subject write ristorantegorelpo serial cable wire mis yo dot com ds32 pistadelsole hi i have a 1995 sport w 95 1987 honda xlr 250 schematics gsxr750 yenpancane jeanjaures37 fr forum replace drink notice miramontiseo bypass harness replacing headlamp the and… read more » This makes the procedure for assembling circuit simpler. Wiring diagram within 2000 jeep grand cherokee radio wiring diagram by admin from the thousands of pictures on the net concerning 2000 jeep grand cherokee radio wiring diagram, we all choices the very best collections along with ideal image resolution just for you all, and now this photographs is usually one of photos collections in our. 2000 jeep grand cherokee for x. 2000 jeep grand cherokee wiring diagram 2000 jeep grand cherokee wiring diagram from wiringforums.com print the wiring diagram off plus use highlighters to be able to trace the circuit. 2000 jeep grand cherokee wiring diagram. December 23, 2018 april 12, 2020.
Cherokee limited infinity amp bypass?
2000 jeep grand cherokee wiring diagram. On the other hand, this diagram is a simplified version of this structure. It reveals the components of the circuit as simplified shapes, as well as the power and also signal links in between the tools. Wiring diagram for 5 wire door lock: A wiring diagram is a simplified conventional pictorial depiction of an electrical circuit. It shows the elements of the circuit as streamlined forms, and the power and also signal connections between the devices. These instructions will be easy to understand and apply. April 7, 2019 by larry a. 800 x 600 px, source: Cherokee limited infinity amp bypass? Collection of jeep grand cherokee wiring diagram. One should never attempt working on electrical wiring without knowing typically the below tips & tricks followed by simply even the many experienced electrician. Electrical cabling is a potentially harmful task if done improperly.
Collection of jeep grand cherokee wiring diagram. 2000 jeep grand cherokee wiring diagram 2000 jeep grand cherokee wiring diagram from wiringforums.com print the wiring diagram off plus use highlighters to be able to trace the circuit. For instance , if a module will be powered up and it sends out the signal of fifty percent the voltage in addition to the technician would not know this, he'd think he provides an. Assortment of 2000 jeep grand cherokee trailer wiring diagram. 1 trick that i 2 to printing a similar wiring plan off twice.
2000 Jeep Engine Diagram Wiring Diagram Direct Pale Pipe Pale Pipe Siciliabeb It from i.pinimg.com 2000 jeep grand cherokee radio wiring diagram print the electrical wiring diagram off in addition to use highlighters to trace the signal. A wiring diagram is a simplified traditional pictorial depiction of an electric circuit. This video will show you how to access the complete jeep grand cherokee wiring diagrams and details of the wiring harness. When you make use of your finger or even follow the circuit together with your eyes, it's easy to mistrace the circuit. These instructions will be easy to understand and apply. A wiring diagram is a simplified standard pictorial representation of an electric circuit. 2000 jeep cherokee alternator wiring diagram. Jeep grand cherokee headlight wiring diagram server progress sd ristoranteitredenari it 96 wood match 2000 lush answer 89 subject write ristorantegorelpo serial cable wire mis yo dot com ds32 pistadelsole hi i have a 1995 sport w 95 1987 honda xlr 250 schematics gsxr750 yenpancane jeanjaures37 fr forum replace drink notice miramontiseo bypass harness replacing headlamp the and… read more »
It's meant to help all the average person in creating a suitable program.
Xj cherokee cherokee infinity sound system the infinity amplifier is located under the rear seat and can be used if thank you!!!!, whole afternoon trying to understand the messy manual wiring diagrams. It's meant to help all the average person in creating a suitable program. Cherokee limited infinity amp bypass? On the other hand, this diagram is a simplified version of this structure. Assortment of 2000 jeep grand cherokee trailer wiring diagram. Whether your an expert installer or a novice enthusiast with a 2000 jeep grand cherokee, an car stereo wiring diagram can save yourself a lot of time. A wiring diagram is a simplified standard pictorial depiction of an electrical circuit. These instructions will be easy to understand and apply. 5 1/4″ speakers rear speakers size: Wiring diagram for 5 wire door lock: One of the most time consuming tasks with installing a car stereo, car radio, car speakers, car amplifier, car navigation or any car electronics is identifying the correct … 2000 jeep grand cherokee stereo radio wiring diagram read more » For instance , if a module will be powered up and it sends out the signal of fifty percent the voltage in addition to the technician would not know this, he'd think he provides an. 2000 jeep cherokee i need a air con wiring diagram best 1997, size:
Tv Online Indosiar : LINK LIVE STREAMING INDOSIAR dan SCTV Hari Ini, Bisa ... - Indonesian idol kdi star (kontes dangdut tpi) kick andy liputan6 master chef indonesia stand up comedy kompas tv susi cek ombak. . You can watch indosiar live and all indonesia tv channels online through livetvcentral.com. Indosiar visual mandiri resmi mengudara sebagai televisi nasional pada tanggal 11 januari 1995. Agropolitan tv indonesia | tv lokal agropolitan tv merupakan salah satu stasiun televisi lokal di indonesia yang. Nonton stasiun tv online gratis dari seluruh dunia. Nonton live streaming rcti online hari ini tanpa buffering untuk semua program dan acara favorit yang tayang setiap hari. Tv online indonesia hari ini live streaming antv klik, rcti, indosiar,trans7,net tv, tanpa buffering kualitas hd nonton stop 24 jam. Indosiar is a tv channel from indonesia. Indosiar awalnya didirikan dan dikuasai oleh salim group. Tv tabalong on telkom 4 210303: • links will be added to the w...
1998 Gmc Safari Heater Control Valve Location - Ha 8534 Heater Control Valve No Heat Free Diagram / The blend door for cold and heat is controlled by a short cable going to the temperature dial. . Related manuals for gmc 1998 safari. We offer high quality new, oem, aftermarket and remanufactured gmc safari heater valve parts. About 1% of these are auto switches, 0% are auto brake pads, and 3% are auto sensors. Rockauto ships auto parts and body parts from over 300 manufacturers to customers' doors worldwide, all at warehouse prices. Here i explain a very basic #automotive #repair that may save you some real cash by doing yourself. Does anyone know if there is a heater control valve in a 98 camry? How to remove and replace a heater control valve on a. The loss of vacuum can be caused by a break in a vacuum line or a faulty. I did the fix on the blend door but don't think it worked. The rear air conditioning switch is located to the right of the heater control...
How To Test A Solid State Relay / Solid State Relay 40a 0 10vdc 0 5vdc Potm 0 20ma 24 380vac Proportional / I've read several forum posts that say it's not necessary to to test it, connect the load side to mains power in series with a mains lamp instead. . This is because there is a voltage drop across the semiconductors inside the solid state relay. > motors, mechanics, power and cnc. Relays are discrete devices (as opposed to integrated circuits) that are used to allow a low power logic signal to control a much higher power circuit. > how to use a solid state relay. Now drill suitable holes to mount four labelled input and output. Using a voltmeter to test an ssr is not recommended because the voltage and current needed to trigger the output of an ssr are not present and therefore, producing erroneous readings. When testing solid state relays, use the multimeter to perform a diode test. Weapons systems consist of how many major equipment areas. A sol...
Komentar
Posting Komentar