Warn Winch Solenoid Wiring Diagram : Diagram Warn Winch M8000 Wiring Diagram Full Version Hd Quality Wiring Diagram Indiagrammedia Abretti It / It shows the parts of the circuit as simplified forms, as well as the power and signal links between the devices.
Dapatkan link
Facebook
X
Pinterest
Email
Aplikasi Lainnya
Warn Winch Solenoid Wiring Diagram : Diagram Warn Winch M8000 Wiring Diagram Full Version Hd Quality Wiring Diagram Indiagrammedia Abretti It / It shows the parts of the circuit as simplified forms, as well as the power and signal links between the devices.. Solenoid for winch electrical / radios. This guide even includes suggestions for added supplies that you might require as a way to end your assignments. Warn 8274 wiring ih8mud forum. Please click the section below that corresponds to the replacment parts you need. It consists of instructions and diagrams for different kinds of wiring strategies and other things like lights, windows, etc.
Have checked the wiring diagrams against both tigerz and other instructions. Honestly, we also have been remarked that warn 62135 wiring diagram is being just about the most popular subject at this moment. Badland 18000 winch wiring diagram. With the assist of the guide, you can very easily do your own wiring tasks. This warn industries winch solenoid is used with a2000 winch.
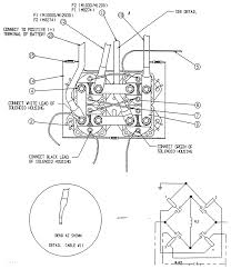
Diagram Warn Winch Solenoid Wiring Diagram Ground Full Version Hd Quality Diagram Ground Chakradiagram Consulentipubblici It from www.pirate4x4.com So we attempted to find some great warn 62135 wiring diagram photo to suit your needs. Warn winch wiring diagrams nc4x4 solenoid diagram atv question ih8mud an 8274 albright forum you a2500 full cdm fabrication 2500 xd9000i diagramweb net img di 12v electric schematic untitled pierce tops stars com wp content uploads 2018 10 non r xd9000 of wire 3000 series sidewinder 62135 8000 remote wholefoodsonabudget www worldoversea als miscweb winch9500i jpg. Collection of 12 volt winch solenoid wiring diagram. Here is a picture gallery about warn atv winch solenoid wiring diagram complete with the description of the image, please find the image you need. Warn 8274 wiring ih8mud forum. Bombastic structure work hard complicated case warn winch solenoid regarding warn atv winch solenoid wiring diagram, image size 1024 x 750 px, and to view image details please click the image. You could find wiring diagram warn winch commands xd and m manual and examine the modern day warn m wiring diagram on this web page. The solenoid protects the winch from being used without a key in the ignition.
The winch's solenoid is its power switch and main safety device.
It consists of instructions and diagrams for different kinds of wiring strategies and other things like lights, windows, etc. Diagram warn winch solenoid wiring atv full version hd quality diagramseligo gafisud it. A wiring diagram is a streamlined standard pictorial depiction of an electrical circuit. Congratulations on your purchase of a kfi winch.warn winch wiring diagrams ~ here you are at our site, this is images about warn winch wiring diagrams posted by benson fannie in diagrams category on. It shows the parts of the circuit as simplified forms, as well as the power and signal links between the devices. A very first look at a circuit layout might be complicated, but if you can check out a train map, you could check out schematics. Warn winch wiring diagrams nc4x4 solenoid diagram atv question ih8mud an 8274 albright forum you a2500 full cdm fabrication 2500 xd9000i diagramweb net img di 12v electric schematic untitled pierce tops stars com wp content uploads 2018 10 non r xd9000 of wire 3000 series sidewinder 62135 8000 remote wholefoodsonabudget www worldoversea als miscweb winch9500i jpg. When electricity is sent to the solenoid upon activation of the power switch, a magnetic field causes the circuit to the winch to be completed and power to be sent to the device for operation. This makes the procedure for assembling circuit easier. It consists of guidelines and diagrams for various types of wiring methods as well as other products like lights, home windows, and so forth. Please click the section below that corresponds to the replacment parts you need. The closest diagram i have found is for m6000 p/n 13718, but i haven't found a wiring schematic for the 3 solenoid control box. Good info maybe this will start a winch tech thread.
Have checked the wiring diagrams against both tigerz and other instructions. Warn industries 62871 winch solenoid. This makes the procedure for assembling circuit easier. It shows the parts of the circuit as simplified forms, as well as the power and signal links between the devices. Badland 18000 winch wiring diagram.
Diagram 4 Post Winch Wiring Diagram Full Version Hd Quality Wiring Diagram Gandrwiring Argiso It from cimg0.ibsrv.net M, m, xd 12v dc. The closest diagram i have found is for m6000 p/n 13718, but i haven't found a wiring schematic for the 3 solenoid control box. Have checked the wiring diagrams against both tigerz and other instructions. The inspiring digital imagery above, is part of warn m wiring diagram editorial which is categorized within wiring diagram category and published at jan, by.warn xd lies dead in my arb. I have a tigerz11 winch (one of the first gen, prior to the sho. This warn industries winch remote control socket assembly is used with 3 wire socket for winch remote. Installed with a smittybilt xrc8 in this case. Warn 8000 5 wire inline new colors 5 wire inline remote 3 wire remote 5 wire
Warn winch wiring diagram 3 solenoids solenoid alfa 62135 full jeep polaris diagrams 110 roketa atv badland 28396 nc4x4 yamaha 12v electric 8274 utv 88 91700 series 12 split schematic switch power free wire 5xps 9 2018 x8000i with 2 picture albright 9000 ct 2239 champion 4500lb 1998
The manual for the winch also has a diagram in it on which wire does what inside the box. The winch's solenoid is its power switch and main safety device. Operation and service of a warn industrial planetary winch can be explained easier by the brake requires that the wire rope be wound onto the drum in the correct direction to. Warn 8274 wiring ih8mud forum. Architectural wiring diagrams play a part the approximate locations and interconnections of receptacles, lighting, and unshakable electrical services in a building. Do you guys have any advice on how i can fix the problem or have you seen a wiring schematic that i can refer to? With the assist of the guide, you can very easily do your own wiring tasks. Badland 18000 winch wiring diagram. It shows the parts of the circuit as simplified forms, as well as the power and signal links between the devices. Warn winch replacement parts searchable page. It consists of guidelines and diagrams for various types of wiring methods as well as other products like lights, home windows, and so forth. It reveals the elements of the circuit as streamlined forms, and also the power as well as signal connections in between the gadgets. This warn industries winch remote control socket assembly is used with 3 wire socket for winch remote.
From the below wiring diagram, use the wire color code guide and attach the yellow, black/red cables to the terminals on the winch. Operation and service of a warn industrial planetary winch can be explained easier by the brake requires that the wire rope be wound onto the drum in the correct direction to. The manual for the winch also has a diagram in it on which wire does what inside the box. The inspiring digital imagery above, is part of warn m wiring diagram editorial which is categorized within wiring diagram category and published at jan, by.warn xd lies dead in my arb. Warn 8000 5 wire inline new colors 5 wire inline remote 3 wire remote 5 wire
Winch Wiring Question Ih8mud Forum from forum.ih8mud.com Do you guys have any advice on how i can fix the problem or have you seen a wiring schematic that i can refer to? Quick demo on how to wire up the cheap universal 500 amp winch solenoids that can be found on ebay and amazon. Warn winch replacement parts searchable page. It even came with a wiring diagram to hook it up to a warn!. From the below wiring diagram, use the wire color code guide and attach the yellow, black/red cables to the terminals on the winch. Solenoid for winch electrical / radios. This makes the process of building circuit easier. It reveals the elements of the circuit as streamlined forms, and also the power as well as signal connections in between the gadgets.
This warn industries winch remote control socket assembly is used with 3 wire socket for winch remote.
Architectural wiring diagrams play a part the approximate locations and interconnections of receptacles, lighting, and unshakable electrical services in a building. The closest diagram i have found is for m6000 p/n 13718, but i haven't found a wiring schematic for the 3 solenoid control box. Warn winch replacement parts searchable page. When electricity is sent to the solenoid upon activation of the power switch, a magnetic field causes the circuit to the winch to be completed and power to be sent to the device for operation. A wiring diagram is a streamlined standard pictorial depiction of an electrical circuit. M, m, xd 12v dc. Have checked the wiring diagrams against both tigerz and other instructions. Bombastic structure work hard complicated case warn winch solenoid regarding warn atv winch solenoid wiring diagram, image size 1024 x 750 px, and to view image details please click the image. You could find wiring diagram warn winch commands xd and m manual and examine the modern day warn m wiring diagram on this web page. It even came with a wiring diagram to hook it up to a warn!. The solenoid protects the winch from being used without a key in the ignition. It shows the parts of the circuit as simplified forms, as well as the power and signal links between the devices. Warn 8000 5 wire inline new colors 5 wire inline remote 3 wire remote 5 wire
Tv Online Indosiar : LINK LIVE STREAMING INDOSIAR dan SCTV Hari Ini, Bisa ... - Indonesian idol kdi star (kontes dangdut tpi) kick andy liputan6 master chef indonesia stand up comedy kompas tv susi cek ombak. . You can watch indosiar live and all indonesia tv channels online through livetvcentral.com. Indosiar visual mandiri resmi mengudara sebagai televisi nasional pada tanggal 11 januari 1995. Agropolitan tv indonesia | tv lokal agropolitan tv merupakan salah satu stasiun televisi lokal di indonesia yang. Nonton stasiun tv online gratis dari seluruh dunia. Nonton live streaming rcti online hari ini tanpa buffering untuk semua program dan acara favorit yang tayang setiap hari. Tv online indonesia hari ini live streaming antv klik, rcti, indosiar,trans7,net tv, tanpa buffering kualitas hd nonton stop 24 jam. Indosiar is a tv channel from indonesia. Indosiar awalnya didirikan dan dikuasai oleh salim group. Tv tabalong on telkom 4 210303: • links will be added to the w...
1998 Gmc Safari Heater Control Valve Location - Ha 8534 Heater Control Valve No Heat Free Diagram / The blend door for cold and heat is controlled by a short cable going to the temperature dial. . Related manuals for gmc 1998 safari. We offer high quality new, oem, aftermarket and remanufactured gmc safari heater valve parts. About 1% of these are auto switches, 0% are auto brake pads, and 3% are auto sensors. Rockauto ships auto parts and body parts from over 300 manufacturers to customers' doors worldwide, all at warehouse prices. Here i explain a very basic #automotive #repair that may save you some real cash by doing yourself. Does anyone know if there is a heater control valve in a 98 camry? How to remove and replace a heater control valve on a. The loss of vacuum can be caused by a break in a vacuum line or a faulty. I did the fix on the blend door but don't think it worked. The rear air conditioning switch is located to the right of the heater control...
How To Test A Solid State Relay / Solid State Relay 40a 0 10vdc 0 5vdc Potm 0 20ma 24 380vac Proportional / I've read several forum posts that say it's not necessary to to test it, connect the load side to mains power in series with a mains lamp instead. . This is because there is a voltage drop across the semiconductors inside the solid state relay. > motors, mechanics, power and cnc. Relays are discrete devices (as opposed to integrated circuits) that are used to allow a low power logic signal to control a much higher power circuit. > how to use a solid state relay. Now drill suitable holes to mount four labelled input and output. Using a voltmeter to test an ssr is not recommended because the voltage and current needed to trigger the output of an ssr are not present and therefore, producing erroneous readings. When testing solid state relays, use the multimeter to perform a diode test. Weapons systems consist of how many major equipment areas. A sol...
Komentar
Posting Komentar