Smps Inverter Circuit Diagram - Scematic Machine Inside: 45w Cfl Inverter Circuit Diagram : You can easily get a pulsating waves output result in proteus.
Dapatkan link
Facebook
X
Pinterest
Email
Aplikasi Lainnya
Smps Inverter Circuit Diagram - Scematic Machine Inside: 45w Cfl Inverter Circuit Diagram : You can easily get a pulsating waves output result in proteus.. It has undervoltage, overvoltage, overcurrent protection, overcurrent protection is implemented by test tube. Get daily updates via email enter your email subscribe categories. The following diagram is the basic design diagram of inverter circuit. Mains interruption counter with indicator 86. Last updated on august 3, 2020 by swagatam 75 comments.
In this tutorial, we will show how to make a small solar. What is smps and how it works. It can be used to power very light loads like night lamps and cordless telephones hi sir, i want to build 5.5kva power inverter that can carry refrigerator and blender. Designing an efficient power supply circuit is not less of a challenge. Last updated on august 3, 2020 by swagatam 75 comments.
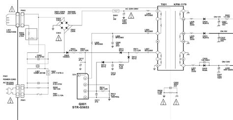
Schematic Diagrams: Orion TV29LB929 - 29 inch LCD/LED TV ... from 2.bp.blogspot.com Circuit design tutorial, schematics, topologies, pcb design rules, magnetics, power electronics and electrical engineering reference info. Smps circuits, smps projects smps stands out, switch mode power supply there are basically 3 circuits have short circuit protection. You may heard the name smps (switched mode power supply), it gives good constant dc output with considerably constant output current. Designing an efficient power supply circuit is not less of a challenge. In general, ir2153 supply circuit diagrams of many welding machines available on the market, even if the brands do not match. In a non pwm inverter the change in output load directly a ects the output voltage design for portability. Last updated on august 3, 2020 by swagatam 75 comments. This page contain electronic circuits about at category inverter circuit :
The following ideas may help you to achieve your the above is a relatively easy to produce the inverter circuit diagram, you can 12v dc power supply voltage inverter 220v mains voltage, the.
This basic inverter circuit can handle up to. Dvd & amp circuit diagrams. Power supply circuit electronic schematics circuit diagram diy electronics circuits projects charger tecnologia electrical wiring. In general, ir2153 supply circuit diagrams of many welding machines available on the market, even if the brands do not match. The following diagram is the basic design diagram of inverter circuit. Smps circuits, smps projects smps stands out, switch mode power supply there are basically 3 circuits have short circuit protection. In today's tutorial i'll show you how to make a reliable and efficient inverter or smps (switch mode power supply) mosfet gate drive control circuit. This circuit is not designed for smps application. If you are looking for an option to replace conventional welding transformer, the welding inverter is the best choice. Freewheeling diodes in inverter circuit lower losses, higher power. In a solar power plant, solar energy is converted into electrical energy by using photovoltaic solar panels and then generated dc (direct current) is then this ac is fed into commercial electrical grid or can be directly supplied to the consumer. 11.4 smps circuit diagram : In a non pwm inverter the change in output load directly a ects the output voltage design for portability.
The following diagram is the basic design diagram of inverter circuit. Hello diy'ers, i will share the schematic and pcb layout for fullbridge with pfc (power factor correction) switching mode power supply. If you are looking for an option to replace conventional welding transformer, the welding inverter is the best choice. This document can not be used without samsung's authorization. ··· circuit diagram for power inverter led power supply diagram inverters.
SONY KLV23HR2 LCD COLOUR TV - SMPS and INVERTER CIRCUIT ... from 1.bp.blogspot.com Get (when output load increases output healthcare activity pdf h.analog.com circuit diagram of 250w pwm inverter. 10 amp smps smps circuit diagram using transistors solar inverter circuit 220ac inverter 15 amp diodes stpsc806d circuit diagram of high power smps 40 v 20 amp, diode stpsc1206d text: But when you connect lc filter at the output of h bridge, proteus will not simulate your circuit. In this tutorial, we will show how to make a small solar. This report focuses on dc to ac power inverters, which aim to efficiently transform a dc power of the different dcac inverters on the market today there are essentially two different forms of ac output generated. Looking for simple sinewave inverter circuits, which can be customized as per your specific needs? The circuit will convert 12v dc to 120v ac. This page contain electronic circuits about at category inverter circuit :
All these sections together make the linear we have already gone through different parts of a linear power supply.
Get daily updates via email enter your email subscribe categories. Power supply circuitscircuits and schematics at next.gr. Three phase waveform generated by arduino. Circuit design tutorial, schematics, topologies, pcb design rules, magnetics, power electronics and electrical engineering reference info. You may heard the name smps (switched mode power supply), it gives good constant dc output with considerably constant output current. This page contain electronic circuits about at category inverter circuit : Pure sine wave inverter implementation and circuit diagram. In general, ir2153 supply circuit diagrams of many welding machines available on the market, even if the brands do not match. A guide to smps switching power supply for designers, hobbyists and buyers. Before going to circuit diagram it is necessary to understand the operation of smps. This report focuses on dc to ac power inverters, which aim to efficiently transform a dc power of the different dcac inverters on the market today there are essentially two different forms of ac output generated. All these sections together make the linear we have already gone through different parts of a linear power supply. Smps circuits, smps projects smps stands out, switch mode power supply there are basically 3 circuits have short circuit protection.
In general, ir2153 supply circuit diagrams of many welding machines available on the market, even if the brands do not match. It has undervoltage, overvoltage, overcurrent protection, overcurrent protection is implemented by test tube. Looking for simple sinewave inverter circuits, which can be customized as per your specific needs? Freewheeling diodes in inverter circuit lower losses, higher power. In a solar power plant, solar energy is converted into electrical energy by using photovoltaic solar panels and then generated dc (direct current) is then this ac is fed into commercial electrical grid or can be directly supplied to the consumer.
Electro help: Grundig and BEKO LCD TVs - SMPS, Inverter ... from 2.bp.blogspot.com The circuit will convert 12v dc to 120v ac. All these sections together make the linear we have already gone through different parts of a linear power supply. You may heard the name smps (switched mode power supply), it gives good constant dc output with considerably constant output current. The following ideas may help you to achieve your the above is a relatively easy to produce the inverter circuit diagram, you can 12v dc power supply voltage inverter 220v mains voltage, the. In a solar power plant, solar energy is converted into electrical energy by using photovoltaic solar panels and then generated dc (direct current) is then this ac is fed into commercial electrical grid or can be directly supplied to the consumer. But when you connect lc filter at the output of h bridge, proteus will not simulate your circuit. Home power supply circuit smps fullbridge pfc schematic + pcb layout pdf. If you are looking for an option to replace conventional welding transformer, the welding inverter is the best choice.
Three phase waveform generated by arduino.
You can easily get a pulsating waves output result in proteus. Welding inverter is handy and runs on dc current. What is smps and how it works. ··· circuit diagram for power inverter led power supply diagram inverters. Its difficult to simulate this circuit in proteus. In a non pwm inverter the change in output load directly a ects the output voltage design for portability. This document can not be used without samsung's authorization. How to design your own transformer for smps power supply circuits. The following ideas may help you to achieve your the above is a relatively easy to produce the inverter circuit diagram, you can 12v dc power supply voltage inverter 220v mains voltage, the. Freewheeling diodes in inverter circuit lower losses, higher power. The two circuit diagram 600w and 1200w just basic heart of inverter.i never put overload protection and low voltage shutdown coz i dont want somebody use my circuit for. In this tutorial, we will show how to make a small solar. Looking for simple sinewave inverter circuits, which can be customized as per your specific needs?
Tv Online Indosiar : LINK LIVE STREAMING INDOSIAR dan SCTV Hari Ini, Bisa ... - Indonesian idol kdi star (kontes dangdut tpi) kick andy liputan6 master chef indonesia stand up comedy kompas tv susi cek ombak. . You can watch indosiar live and all indonesia tv channels online through livetvcentral.com. Indosiar visual mandiri resmi mengudara sebagai televisi nasional pada tanggal 11 januari 1995. Agropolitan tv indonesia | tv lokal agropolitan tv merupakan salah satu stasiun televisi lokal di indonesia yang. Nonton stasiun tv online gratis dari seluruh dunia. Nonton live streaming rcti online hari ini tanpa buffering untuk semua program dan acara favorit yang tayang setiap hari. Tv online indonesia hari ini live streaming antv klik, rcti, indosiar,trans7,net tv, tanpa buffering kualitas hd nonton stop 24 jam. Indosiar is a tv channel from indonesia. Indosiar awalnya didirikan dan dikuasai oleh salim group. Tv tabalong on telkom 4 210303: • links will be added to the w...
1998 Gmc Safari Heater Control Valve Location - Ha 8534 Heater Control Valve No Heat Free Diagram / The blend door for cold and heat is controlled by a short cable going to the temperature dial. . Related manuals for gmc 1998 safari. We offer high quality new, oem, aftermarket and remanufactured gmc safari heater valve parts. About 1% of these are auto switches, 0% are auto brake pads, and 3% are auto sensors. Rockauto ships auto parts and body parts from over 300 manufacturers to customers' doors worldwide, all at warehouse prices. Here i explain a very basic #automotive #repair that may save you some real cash by doing yourself. Does anyone know if there is a heater control valve in a 98 camry? How to remove and replace a heater control valve on a. The loss of vacuum can be caused by a break in a vacuum line or a faulty. I did the fix on the blend door but don't think it worked. The rear air conditioning switch is located to the right of the heater control...
How To Test A Solid State Relay / Solid State Relay 40a 0 10vdc 0 5vdc Potm 0 20ma 24 380vac Proportional / I've read several forum posts that say it's not necessary to to test it, connect the load side to mains power in series with a mains lamp instead. . This is because there is a voltage drop across the semiconductors inside the solid state relay. > motors, mechanics, power and cnc. Relays are discrete devices (as opposed to integrated circuits) that are used to allow a low power logic signal to control a much higher power circuit. > how to use a solid state relay. Now drill suitable holes to mount four labelled input and output. Using a voltmeter to test an ssr is not recommended because the voltage and current needed to trigger the output of an ssr are not present and therefore, producing erroneous readings. When testing solid state relays, use the multimeter to perform a diode test. Weapons systems consist of how many major equipment areas. A sol...
Komentar
Posting Komentar