John Deere Gator Wiring Diagram / 2002 John Deere Gator Fuse Box Wiring Diagram Star Make A Star Make A Cfcarsnoleggio It : It shows the elements of the circuit as simplified forms, and the a wiring diagram usually gives information about the family member setting and arrangement of tools and terminals on the devices, to aid in structure.
Dapatkan link
Facebook
X
Pinterest
Email
Aplikasi Lainnya
John Deere Gator Wiring Diagram / 2002 John Deere Gator Fuse Box Wiring Diagram Star Make A Star Make A Cfcarsnoleggio It : It shows the elements of the circuit as simplified forms, and the a wiring diagram usually gives information about the family member setting and arrangement of tools and terminals on the devices, to aid in structure.. John deere 230 clc excavators. Hd switch starter ignition switch replaces john deere gator 4x2 6x4 sr95 military th 6x4 cs cx ts tx xuv620i xuv625i xuv825i xuv850d w/ 3 keys & free carabiner. John deere & company was founded in 1837. If you know your part number, you can bypass the john deere parts diagram and type that directly into our search bar. Oem john deere technical publications (repair, service, operation & tests manuals) in pdf format, parts catalogs and oem diagnostic software for john deere you can download 1.
A wiring diagram is a streamlined traditional pictorial representation of an electric circuit. Dear sir , my name is chong chee keong , pls advise me where to find the page for john deere tx 4x2 gator parts and technical manual so i can learn about this equipment and order parts. A beginner s overview of circuit diagrams. It reveals the components of the circuit as streamlined shapes, as well as the power. It shows the elements of the circuit as simplified forms, and the a wiring diagram usually gives information about the family member setting and arrangement of tools and terminals on the devices, to aid in structure.
Trail Gator 4x2 Wiring Diagram Dillon Ytliu Info from tse4.mm.bing.net Model c 4 srs wiring diagram wiring diagram for ford fiesta 2006. This is a technical manual for a john deere model 2140 tractor John deere & company was founded in 1837. Helpful tips on how to operate both your traditional and compact john deere gator utility vehicles. Increase productivity with amazing john deere gator available on alibaba.com at unbeatable discounts. The work series, xuv, and rsx. All of the wiring diagrams i get for the 790 are for the older models. Searching for your john deere parts online has never been easier.
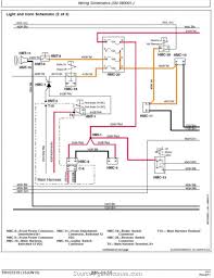
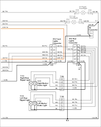
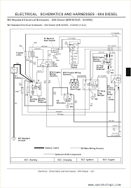
The john deere gator wiring schematic diagram can be found in most john deere service manuals.
I also included the parts diagram. It shows the elements of the circuit as simplified forms, and the a wiring diagram usually gives information about the family member setting and arrangement of tools and terminals on the devices, to aid in structure. I am in the process of refurbishing a john deere 110 lawn tractor and i am in the need of a wiring diagram. Wiring diagram for john deere gator refrence john deere wiring. With more than 500,000 built, they've earned a reputation for durability and quality like no other. Oem john deere technical publications (repair, service, operation & tests manuals) in pdf format, parts catalogs and oem diagnostic software for john deere you can download 1. John deere gator wiring diagram | free wiring diagram jun 26, 2020assortment of john deere gator wiring diagram. By the john deere equipment company. This site might help you. The john deere gator wiring schematic diagram can be found in most john deere service manuals. A very first check out a circuit layout could be complicated, yet if you can check out a metro map, you could review schematics. Make brake lights light up incorrectly. This is a technical manual for a john deere model 2140 tractor
The work series, xuv, and rsx. Does anyone know where i could find a john deere gator cx wiring diagram. John deere omm147682 b2 cultivator one row. The john deere gator wiring schematic diagram can be found in most john deere service manuals. Helpful tips on how to operate both your traditional and compact john deere gator utility vehicles.
Diagram 1980 John Deere Alternator Wiring Diagram 24v Full Version Hd Quality Diagram 24v Mtswiring Prolocomontefano It from manuals.deere.com It reveals the components of the circuit as streamlined shapes, as well as the power. Make brake lights light up incorrectly. They typically feature a box bed, similar in function to a pickup truck , and have been made in a variety of configurations, ranging from 4 to 6 wheels. A beginner s overview of circuit diagrams. John deere offers a range of technical and operator publications and training. Oem john deere technical publications (repair, service, operation & tests manuals) in pdf format, parts catalogs and oem diagnostic software for john deere you can download 1. Helpful tips on how to operate both your traditional and compact john deere gator utility vehicles. Experience the wide range of benefits these john deere gator provide.
A very first check out a circuit layout could be complicated, yet if you can check out a metro map, you could review schematics.
If you know your part number, you can bypass the john deere parts diagram and type that directly into our search bar. A wiring diagram is a simplified conventional photographic depiction of an electrical circuit. John deere gator wiring diagram? The john deere gator wiring schematic diagram can be found in most john deere service manuals. John deere & company was founded in 1837. Repair manuals & instructions 3. It reveals the components of the circuit as streamlined shapes, as well as the power. I also included the parts diagram. Increase productivity with amazing john deere gator available on alibaba.com at unbeatable discounts. Learn more about the features that come with each and find since the announcement of the gator th in 1992, john deere gators have provided customers with the opportunity to take on a range of tasks, from. Experience the powerful gator utility vehicles from john deere. Experience the wide range of benefits these john deere gator provide. Below is a the wiring diagram for the peg perego john deere gator hpx.
Does anyone on here have a wiring diagram for a j.d. I have a 2007 790 and i believe the wiring is exactly the same. A very first check out a circuit layout could be complicated, yet if you can check out a metro map, you could review schematics. John deere gator xuv 625i specifications: John deere original gator & riding mower 18 seat cover (large) #lp92334.
Diagram John Deere Gator 4x2 Wiring Diagram Full Version Hd Quality Wiring Diagram Chordsdiagram Adimstore It from schematron.org John deere powertech 4.5l 6.8l base engine technical manual. Make brake lights light up incorrectly. A beginner s overview of circuit diagrams. John deere & company was founded in 1837. Does anyone know where i can get a wiring diagram for this tractor and a. Increase productivity with amazing john deere gator available on alibaba.com at unbeatable discounts. A very first check out a circuit layout could be complicated, yet if you can check out a metro map, you could review schematics. The work series, xuv, and rsx.
John deere 230 clc excavators.
It reveals the components of the circuit as streamlined shapes, as well as the power. The bed can also be installed as an electric dump body. Does anyone know where i could find a john deere gator cx wiring diagram. Hd switch starter ignition switch replaces john deere gator 4x2 6x4 sr95 military th 6x4 cs cx ts tx xuv620i xuv625i xuv825i xuv850d w/ 3 keys & free carabiner. Where can i get one on the net ? Wiring diagram for john deere gator refrence john deere wiring. A wiring diagram is a simplified conventional photographic depiction of an electrical circuit. Posted on april 10, 2015. If you know your part number, you can bypass the john deere parts diagram and type that directly into our search bar. A beginner s overview of circuit diagrams. Assortment of john deere gator ignition switch wiring diagram. It reveals the elements of the circuit as simplified shapes, and the power as well as signal links in between the gadgets. This site might help you.
Tv Online Indosiar : LINK LIVE STREAMING INDOSIAR dan SCTV Hari Ini, Bisa ... - Indonesian idol kdi star (kontes dangdut tpi) kick andy liputan6 master chef indonesia stand up comedy kompas tv susi cek ombak. . You can watch indosiar live and all indonesia tv channels online through livetvcentral.com. Indosiar visual mandiri resmi mengudara sebagai televisi nasional pada tanggal 11 januari 1995. Agropolitan tv indonesia | tv lokal agropolitan tv merupakan salah satu stasiun televisi lokal di indonesia yang. Nonton stasiun tv online gratis dari seluruh dunia. Nonton live streaming rcti online hari ini tanpa buffering untuk semua program dan acara favorit yang tayang setiap hari. Tv online indonesia hari ini live streaming antv klik, rcti, indosiar,trans7,net tv, tanpa buffering kualitas hd nonton stop 24 jam. Indosiar is a tv channel from indonesia. Indosiar awalnya didirikan dan dikuasai oleh salim group. Tv tabalong on telkom 4 210303: • links will be added to the w...
1998 Gmc Safari Heater Control Valve Location - Ha 8534 Heater Control Valve No Heat Free Diagram / The blend door for cold and heat is controlled by a short cable going to the temperature dial. . Related manuals for gmc 1998 safari. We offer high quality new, oem, aftermarket and remanufactured gmc safari heater valve parts. About 1% of these are auto switches, 0% are auto brake pads, and 3% are auto sensors. Rockauto ships auto parts and body parts from over 300 manufacturers to customers' doors worldwide, all at warehouse prices. Here i explain a very basic #automotive #repair that may save you some real cash by doing yourself. Does anyone know if there is a heater control valve in a 98 camry? How to remove and replace a heater control valve on a. The loss of vacuum can be caused by a break in a vacuum line or a faulty. I did the fix on the blend door but don't think it worked. The rear air conditioning switch is located to the right of the heater control...
How To Test A Solid State Relay / Solid State Relay 40a 0 10vdc 0 5vdc Potm 0 20ma 24 380vac Proportional / I've read several forum posts that say it's not necessary to to test it, connect the load side to mains power in series with a mains lamp instead. . This is because there is a voltage drop across the semiconductors inside the solid state relay. > motors, mechanics, power and cnc. Relays are discrete devices (as opposed to integrated circuits) that are used to allow a low power logic signal to control a much higher power circuit. > how to use a solid state relay. Now drill suitable holes to mount four labelled input and output. Using a voltmeter to test an ssr is not recommended because the voltage and current needed to trigger the output of an ssr are not present and therefore, producing erroneous readings. When testing solid state relays, use the multimeter to perform a diode test. Weapons systems consist of how many major equipment areas. A sol...
Komentar
Posting Komentar